|
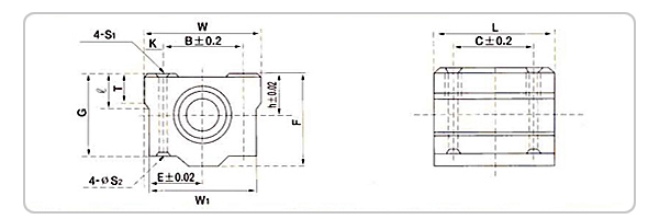
ÁßÇÏÁß¿ë º¼ºÎ½Ãºí·°(¾Ë·ç¹Ì´½ ÇÕ±Ý) ¿øÅëÇü(CLOSED TYPE)
|
|

|
Ç¥ 1) ´ÜÀ§ : mm
|
|
Çü
¹ø
|
Ãà °æ
|
Ä¡ ¼ö
(§®)
|
Àû¿ëº¼
ºÎ½Ì(ÁßÇÏÁß¿ë)
|
¹«°Ô
|
|
h
|
E
|
W
|
W1
|
L
|
F
|
G
|
T
|
B
|
C
|
K
|
S1
|
S2
|
§¤
|
Ä¡
¼ö(mm)
|
Ãִ뵿Á¤°ÝÇÏÁß(kgf)
|
gf
|
|
SSJ BK16
|
16
|
19
|
25
|
50
|
46
|
44
|
38.5
|
32.5
|
9
|
36
|
34
|
7
|
M5
|
4.3
|
12
|
SSJ
16WW
|
280
|
157
|
|
SSJ BK20
|
20
|
21
|
27
|
54
|
52
|
50
|
41
|
35
|
11
|
40
|
40
|
7
|
M6
|
5.2
|
12
|
SSJ
20WW
|
340
|
223
|
|
SSJ BK25
|
25
|
26
|
38
|
76
|
68
|
67
|
51.5
|
41
|
12
|
54
|
50
|
11
|
M8
|
7
|
18
|
SSJ
25WW
|
860
|
497
|
|
SSJ BK30
|
30
|
30
|
39
|
78
|
72
|
72
|
59.5
|
49
|
15
|
58
|
58
|
10
|
M8
|
7
|
18
|
SSJ
30WW
|
1070
|
675
|
|
SSJ BK40
|
40
|
40
|
51
|
102
|
96
|
90
|
78
|
62
|
20
|
80
|
60
|
11
|
M10
|
8.7
|
25
|
SSJ
40WW
|
1765
|
1346
|
|
|
|
|
|
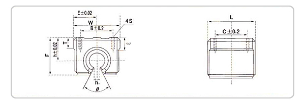
°³¹æÇü(OPEN TYPE)
|
|

´ÜÀ§ : mm
|
|
Çü
¹ø
|
¡¡
Ãà °æ
¡¡
|
Ä¡¼ö (mm)
|
º¼ºÎ½Ì
|
¡¡¹«°Ô
|
|
h
|
E
|
W
|
L
|
F
|
T
|
h©û
|
¥è
|
B
|
C
|
S
|
§¤
|
Ä¡
¼ö(mm)
|
Ãִ뵿Á¤°ÝÇÏÁß(kgf)
|
gf
|
|
SSJ BK OPN 16
|
16
|
20
|
22.5
|
45
|
45
|
33
|
9
|
10
|
80°
|
32
|
30
|
M5
|
12
|
SSJ
16WW OPN
|
280
|
118
|
|
SSJ BK OPN 20
|
20
|
23
|
24
|
48
|
50
|
39
|
11
|
10
|
60°
|
35
|
35
|
M6
|
12
|
SSJ
20WW OPN
|
340
|
178
|
|
SSJ BK OPN 25
|
25
|
27
|
30
|
60
|
65
|
47
|
14
|
11.5
|
50°
|
40
|
40
|
M6
|
12
|
SSJ
25WW OPN
|
860
|
357
|
|
SSJ BK OPN 30
|
30
|
33
|
35
|
70
|
70
|
56
|
15
|
14
|
50°
|
50
|
50
|
M8
|
18
|
SSJ
30WW OPN
|
1070
|
570
|
|
SSJ BK OPN 40
|
40
|
42
|
45
|
90
|
90
|
72
|
20
|
19
|
50°
|
65
|
65
|
M10
|
20
|
SSJ
40WW OPN
|
1765
|
1111
|
|