|
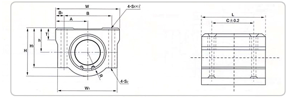
°æÇÏÁß¿ë º¼ºÎ½Ã ºí·°(¾Ë·ç¹Ì´½) ¿øÅëÇü(CLOSED TYPE)
|
|

|
|
´ÜÀ§ :mm
|
|
Çü ¹ø |
Ãà °æ |
Ä¡¼ö (mm) |
Àû¿ë º¼ºÎ½Ì |
¹«°Ô
gf |
|
h |
A |
W |
L |
H |
H1 |
T |
B |
C |
B1 |
S1 |
S2 |
W1 |
Ä¡ ¼ö |
Ãִ뵿Á¤°ÝÇÏÁß(kgf) |
|
SC 12UU |
Ø12 |
15 |
22 |
44 |
39 |
30 |
24.5 |
8 |
33 |
26 |
5.5 |
M5 |
Ø4.3 |
39 |
LM12UU |
42 |
|
|
SC 13UU |
Ø13 |
15 |
22 |
44 |
39 |
30 |
24.5 |
8 |
33 |
26 |
5.5 |
M5 |
Ø4.3 |
41 |
LM13UU |
52 |
105 |
|
SC 16UU |
Ø16 |
19 |
25 |
50 |
44 |
38.5 |
32.5 |
9 |
36 |
34 |
7 |
M5 |
Ø4.3 |
46 |
LM16UU |
79 |
157 |
|
SC 20UU |
Ø20 |
21 |
27 |
54 |
50 |
41 |
35 |
11 |
40 |
40 |
7 |
M6 |
Ø5.2 |
52 |
LM20UU |
88 |
223 |
|
SC 25UU |
Ø25 |
26 |
38 |
76 |
67 |
51.5 |
41 |
12 |
54 |
50 |
11 |
M8 |
Ø7 |
68 |
LM25UU |
100 |
497 |
|
SC 30UU |
Ø30 |
30 |
39 |
78 |
72 |
59.5 |
49 |
15 |
58 |
58 |
10 |
M8 |
Ø7 |
72 |
LM30UU |
160 |
675 |
|
SC 35UU |
Ø35 |
34 |
45 |
90 |
80 |
68 |
54 |
18 |
70 |
60 |
10 |
M8 |
Ø6.8 |
85 |
LM35UU |
190 |
1100 |
|
SC 40UU |
Ø40 |
40 |
51 |
102 |
90 |
78 |
62 |
20 |
80 |
60 |
11 |
M10 |
Ø8.7 |
96 |
LM40UU |
220 |
1346 |
|
SC 50UU |
Ø50 |
52 |
61 |
122 |
110 |
102 |
80 |
24 |
100 |
80 |
11 |
M10 |
Ø8.7 |
116 |
LM50UU |
390 |
3350 |
|
|
|
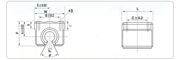
°³¹æÇü(OPEN TYPE)
|
|

|
|
´ÜÀ§ :mm
|
|
Çü ¹ø |
Ãà °æ |
ÁÖ¿äÄ¡¼ö |
¼³Ä¡Ä¡¼ö |
Àû¿ëº¼ºÎ½É |
SLIDE BUSH |
|
h |
E |
W |
L |
F |
T |
h©û |
¥è |
B |
C |
S |
§¤ |
µ¿Á¤°ÝÇÏÁßC kgf |
Á¤Á¤°ÝÇÏÁß Co kgf |
|
S 13 SB |
13 |
17 |
20 |
40 |
39 |
27 |
8 |
8.5 |
80° |
28 |
26 |
M5 |
12 |
NB13GUU |
52 |
79 |
|
S 16 SB |
16 |
20 |
22.5 |
45 |
45 |
33 |
9 |
10 |
80° |
32 |
30 |
M5 |
12 |
LM16UU-OPS |
79 |
120 |
|
S 20 SB |
20 |
23 |
24 |
48 |
50 |
39 |
11 |
10 |
60° |
35 |
35 |
M6 |
12 |
LM20UU-OPS |
88 |
140 |
|
S 25 SB |
25 |
27 |
30 |
60 |
65 |
47 |
14 |
11.5 |
50° |
40 |
40 |
M6 |
12 |
LM25UU-OPS |
100 |
160 |
|
S 30 SB |
30 |
33 |
35 |
70 |
70 |
56 |
15 |
14 |
50° |
50 |
50 |
M8 |
18 |
LM30UU-OPS |
160 |
280 |
|
S 40 SB |
40 |
42 |
45 |
90 |
90 |
72 |
20 |
19 |
50° |
65 |
65 |
M10 |
20 |
LM40UU-OPS |
220 |
410 |
|
|