|
°æÇÏÁß¿ë ´õºíº¼ºÎ½Ã ºí·°(¾Ë·ç¹Ì´½) ¿øÅëÇü(CLOSED TYPE)
|
|

´ÜÀ§ : mm
|
Çü ¹ø
|
Ãà°æ
|
Ä¡¼ö(mm)
|
º¼ºÎ½Ì
|
|
h
|
A
|
W
|
L
|
H
|
H1
|
T
|
B
|
C
|
B1
|
W1
|
Tap
|
¡¡
|
µ¿Á¤°ÝÇÏÁß C kgf
|
Á¤Á¤°ÝÇÏÁß Co kgf
|
¹«°Ô
gf
|
|
SC10WUU
|
10
|
13
|
20
|
40
|
68
|
26
|
21
|
8
|
28
|
46
|
6
|
37
|
M5-10D
|
4.3
|
76
|
112
|
147
|
|
SC12WUU
|
12
|
15
|
22
|
44
|
77
|
30
|
24.5
|
8
|
33
|
64
|
5.5
|
41
|
M5-10D
|
4.3
|
74
|
122
|
220
|
|
SC13WUU
|
13
|
15
|
22
|
44
|
77
|
30
|
24.5
|
8
|
33
|
64
|
5.5
|
42
|
M5-10D
|
4.3
|
81
|
157
|
245
|
|
SC16WUU
|
16
|
19
|
25
|
50
|
89
|
38.5
|
32.5
|
9
|
36
|
79
|
7
|
46
|
M5-12D
|
4.3
|
158
|
240
|
376
|
|
SC20WUU
|
20
|
21
|
27
|
54
|
100
|
41
|
35
|
11
|
40
|
90
|
7
|
52
|
M6-12D
|
5.2
|
166
|
280
|
476
|
|
SC25WUU
|
25
|
26
|
38
|
76
|
136
|
51.5
|
41
|
12
|
54
|
119
|
11
|
68
|
M8-18D
|
6.8
|
200
|
320
|
1115
|
|
SC30WUU
|
30
|
30
|
39
|
78
|
146
|
59.5
|
49
|
15
|
58
|
132
|
10
|
72
|
M8-18D
|
6.8
|
320
|
570
|
1375
|
|
SC35WUU
|
35
|
34
|
45
|
90
|
160
|
68
|
54
|
18
|
70
|
140
|
10
|
85
|
M8-18D
|
6.8
|
240
|
640
|
2200
|
|
SC40WUU
|
40
|
40
|
51
|
102
|
180
|
78
|
62
|
20
|
80
|
150
|
11
|
96
|
M10-25D
|
6.8
|
440
|
820
|
3200
|
|
SC50WUU
|
50
|
52
|
61
|
122
|
230
|
102
|
80
|
24
|
100
|
200
|
11
|
116
|
M10-25D
|
6.8
|
780
|
1620
|
6720
|
|
|
|
|
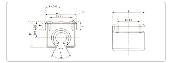
°³¹æÇü(ÁßÇÏÁß¿ë ½ºÆ¿ ºí·Ï)
|
|

|
|
´ÜÀ§ : mm
|
|
Çü¹ø
|
Ãà°æ
|
Ä¡¼ö(mm)
|
Àû¿ëº¼ºÎ½Ì
|
¡¡
|
|
¹«°Ô
|
|
h
|
E
|
W
|
L
|
F
|
T
|
h©û
|
¥è
|
B
|
C
|
S
|
§¤
|
Ä¡¼ö
|
Ãִ뵿Á¤°ÝÇÏÁß(kgf)
|
gf
|
|
SSJ SB OPN 25
|
25
|
27
|
30
|
60
|
65
|
47
|
14
|
11.5
|
50°
|
40
|
40
|
M6
|
12
|
SSJ25
WW OPN
|
1290
|
887
|
|
SSJ SB OPN 30
|
30
|
33
|
35
|
70
|
70
|
56
|
15
|
14
|
50°
|
50
|
50
|
M8
|
12
|
SSJ30
WW OPN
|
1600
|
1379
|
|
SSJ SB OPN 40
|
40
|
42
|
45
|
90
|
90
|
72
|
20
|
19
|
50°
|
65
|
65
|
M10
|
18
|
SSJ40
WW OPN
|
2650
|
2814
|
|
|